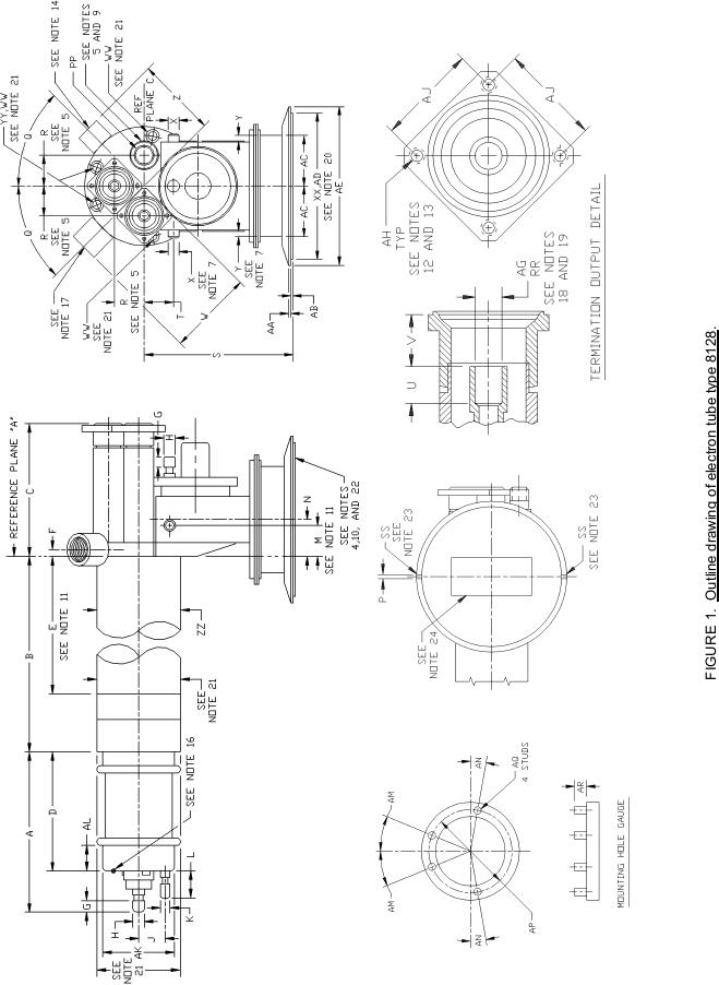
MIL-PRF-1-1605 Electron Tube, Traveling Wave Type 8128