
MIL-PRF-1/1605C
TERMINATION Lc SH 1
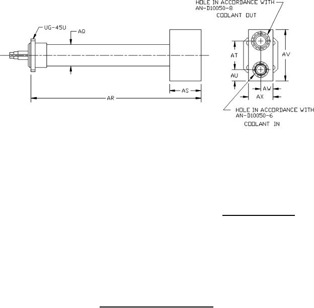
Flow = W ater, 1 G.P.M.
Pressure drop = 10 P.S.I.
Pressure max = 115 P.S.I.A.
FIGURE 3. Installation drawing (for guidance only) - Continued.
12
For Parts Inquires call Parts Hangar, Inc (727) 493-0744
© Copyright 2015 Integrated Publishing, Inc.
A Service Disabled Veteran Owned Small Business