
MIL-PRF-1/1605C
NOTES:
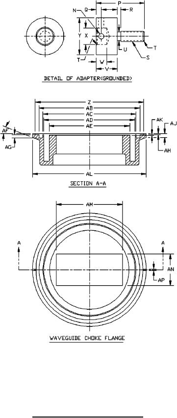
1. Dimensions are in inches.
2. Metric equivalents (to the nearest 0.01 mm) are give for general information only and are based
upon 1 inch = 25.4 mm.
3. Unless otherwise specified, tolerance is ± .005 (0.13 mm) for three place decimals, tolerance is
± .02 inch (0.51 mm) for two place decimals.
FIGURE 3. Installation drawing (for guidance only) - Continued.
11
For Parts Inquires call Parts Hangar, Inc (727) 493-0744
© Copyright 2015 Integrated Publishing, Inc.
A Service Disabled Veteran Owned Small Business