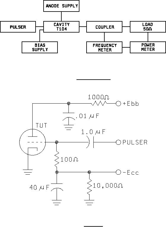
MIL-PRF-1-1660 Electron Tube, Microwave, Negative Grid Type 8403