
MIL-PRF-1/1647E
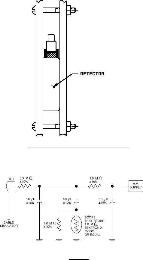
FIGURE 4. Method of clamping detector for shock and vibration test.
FIGURE 5. Test circuit.
9
For Parts Inquires call Parts Hangar, Inc (727) 493-0744
© Copyright 2015 Integrated Publishing, Inc.
A Service Disabled Veteran Owned Small Business