
MIL-PRF-1/1400D
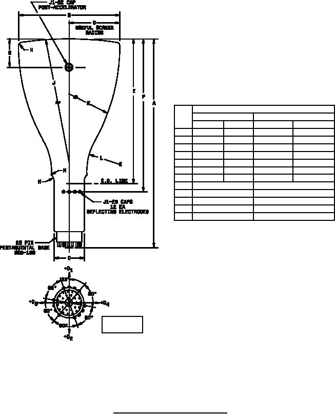
Dimensions
Ltr
Inches
Millimeters
Min
Max
Min
Max
A
25.25
26.00
641.4
660.4
B
12.38
12.50
314.5
317.5
C
---
3.75
---
95.3
D
5.5
---
139.7
---
E
17.38
18.13
441.5
460.5
F
18.5
19.0
469.9
482.6
G
3.25
3.75
82.6
95.3
H
.438 R
11.13 R
J
40 R
1016 R
K
24 R
610 R
L
7.438 R
188.93 R
M
1R
25.4 R
NOTES:
1. J1-22 cap aligns with ID2 trace ± 5°.
2. Unless otherwise specified, J1-25 caps 20°
apart.
3. Base key aligns with ID2 trace ± 10°.
BOTTOM
VIEW
FIGURE 1. Outline dimensions of tube type 12ATP28.
6
For Parts Inquires call Parts Hangar, Inc (727) 493-0744
© Copyright 2015 Integrated Publishing, Inc.
A Service Disabled Veteran Owned Small Business