
MIL-PRF-1/1385K
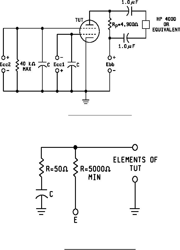
FIGURE 3. Basic test circuit for vibration test (noise).
FIGURE 4. Basic test circuit for interelement leakage test.
9
For Parts Inquires call Parts Hangar, Inc (727) 493-0744
© Copyright 2015 Integrated Publishing, Inc.
A Service Disabled Veteran Owned Small Business