
MIL-PRF-1/1385K
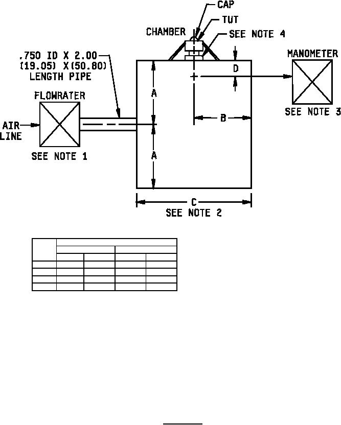
Dimension
Ltr
Inches
Millimeters
Min
Max
Min
Max
A
5.95
6.05
151.1
153.7
B
5.95
6.05
151.1
153.7
C
11.95
12.05
303.5
306.1
D
1.95
2.05
49.5
52.1
NOTES:
1. Fischer-Porter Flowrater Model B4-27-10/77, or equivalent.
2. Twelve-inch cube inside dimensions, compound sealed.
3. F. W. Dwyer Manometer, 0 to 1 inch of water (Fischer Scientific Company 11-295-5 draft gauge, or equivalent.
4. Socket shown on Drawing 246-JAN.
5. Dimensions are in inches.
6. Metric equivalents are based upon 1.00 inch = 25.4 mm.
FIGURE 2. Block diagram.
8
For Parts Inquires call Parts Hangar, Inc (727) 493-0744
© Copyright 2015 Integrated Publishing, Inc.
A Service Disabled Veteran Owned Small Business