
MIL-PRF-1/1336G
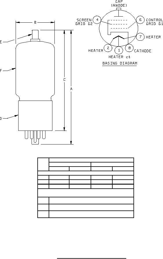
Dimensions
Ltr
Inches
Millimeters
Min
Max
Min
Max
Conformance inspection, part 2
A
---
4.688
---
119.08
B
1.438
1.563
36.53
39.70
C
3.750
4.125
95.25
104.78
Conformance inspection, part 3
(periodic check)
D
Base: B8-11 (low-loss phenolic)
E
Cap: C1-2
F
Envelope: T12
FIGURE 1. Outline drawing of electron tube type 3D21W B.
6
For Parts Inquires call Parts Hangar, Inc (727) 493-0744
© Copyright 2015 Integrated Publishing, Inc.
A Service Disabled Veteran Owned Small Business