
MIL-PRF-1/1313G
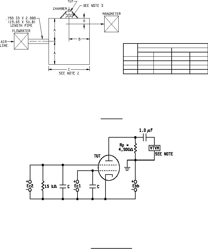
Dimension
Ltr
Inches
Millimeters
Min
Max
Min
Max
A
5.95
6.05
151.1
153.7
B
5.95
6.05
151.1
153.7
C
11.95
12.05
303.5
306.1
D
1.95
2.05
49.5
52.1
NOTES:
1. Tabulated dimensions are in inches with metric equivalents based upon 1.00 inch = 25.4 mm.
2. 12.00 inch (304.8 mm) cube inside dimension shall be free of air leaks.
3. Socket shall be EIMAC SK-710, or equivalent.
FIGURE 2. Baffle system.
NOTE: Hewlett-Packard Type 400-D, or equivalent.
FIGURE 3. Vibration noise test circuit.
9
For Parts Inquires call Parts Hangar, Inc (727) 493-0744
© Copyright 2015 Integrated Publishing, Inc.
A Service Disabled Veteran Owned Small Business