
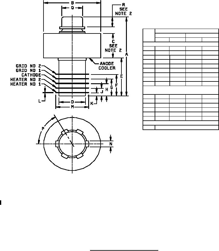
MIL-PRF-1/1313G
Dimensions
Ltr
Inches
Millimeters
Min
Max
Min
Max
Conformance inspection, part 2
A
2.300
2.500
58.42
63.50
D
.740
.770
18.80
19.56
F
.602
.642
15.29
16.31
G
.470
.500
11.94
12.70
H
.329
.359
8.36
9.12
J
.193
.213
4.90
5.41
K
.050
.072
1.27
1.83
L
.010
.020
0.25
0.51
M
.936
.956
23.77
24.28
Conformance inspection, part 3
(see note 1)
B
1.610
1.640
40.89
41.66
C
.710
.790
18.03
20.07
E
1.133
1.195
28.78
30.35
N
.170
.185
4.32
4.70
Q
.559
.573
14.20
14.55
R
.240
---
6.10
---
Reference dimension
60°
P
NOTES:
1. Dimensions shall be checked during the initial production and annually thereafter. A sampling plan shall be used, with
sample of three tubes with an acceptance number of zero. In the event of failure, the test will be made as a part of
conformance inspection, part 2, acceptance level 6.5 of MIL-PRF-1 Table III. Annual sampling plan may be reinstated
after three consecutive samples have been accepted.
2. Available anode contact surfaces.
FIGURE 1. Outline drawing of electron tube type 8167.
8
For Parts Inquires call Parts Hangar, Inc (727) 493-0744
© Copyright 2015 Integrated Publishing, Inc.
A Service Disabled Veteran Owned Small Business