
MIL-PRF-1/982D
Inches
mm
.312
7.92
.375
9.53
1.375
34.93
2.062
52.37
2.625
66.68
2.750
69.85
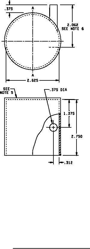
NOTES:
1. Dimensions are in inches (millimeter equivalents in table).
2. Unless otherwise specified, tolerance is .016 (0.41 mm).
3. The tube shall be mounted with an approximate clearance between it and the cover of one-half inch. The plane
passing through the tuning mechanism and the longitudinal axis of the tube shall be parallel to plane A-A.
4. Enclosed metal cover in cylinder to shield it from external air currents.
5. Heating and cooling elements shall be applied to the top of cover.
6. Depth of penetration of thermometer.
FIGURE 2. Metal cover for temperature coefficient test.
6
For Parts Inquires call Parts Hangar, Inc (727) 493-0744
© Copyright 2015 Integrated Publishing, Inc.
A Service Disabled Veteran Owned Small Business