
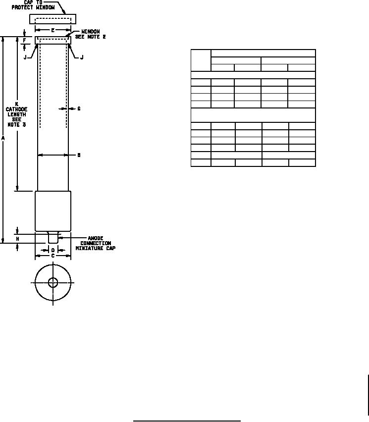
MIL-PRF-1/906E
Dimensions
Ltr
Inches
Millimeters
Min
Max
Min
Max
Conformance inspection, part 2
A
5.750
6.000
146.05
152.40
B
.860
.890
21.84
22.61
C
---
1.000
---
25.40
E
.985
1.015
25.02
25.78
Conformance inspection, part 3
(see note 4)
D
.245
.255
6.22
6.48
F
.150
.225
3.81
5.72
G
.047
.078
1.19
1.98
H
.250
---
6.35
---
J
89°
91°
K
4.250
4.500
107.95
114.30
NOTES:
1. The envelope will not have an exposed seal-off tip.
2
2.
Mica window 3.0 to 4.0 milligrams per cm .
3.
Cathode: Allegheny Ludlum Sealmet 1 Steel for glass to metal seals, or equal.
4.
Dimensions shall be checked during the initial production and once each succeeding 12-calendar months in which there is
production. An accept on zero defect sampling plan shall be used, with sample of three tubes with an acceptance number of
zero defects. In the event of failure, the test will be made as a part of conformance inspection, part 2, with an acceptance
level of 6.5. This specification sheet uses an accept on zero sampling in accordance with MIL-PRF-1, table III. The regular
"12-calendar month" sampling plan shall be reinstated after three consecutive samples have been accepted.
FIGURE 1. Outline drawing of electron tube type 5979.
5
For Parts Inquires call Parts Hangar, Inc (727) 493-0744
© Copyright 2015 Integrated Publishing, Inc.
A Service Disabled Veteran Owned Small Business