
MIL-PRF-1/878G
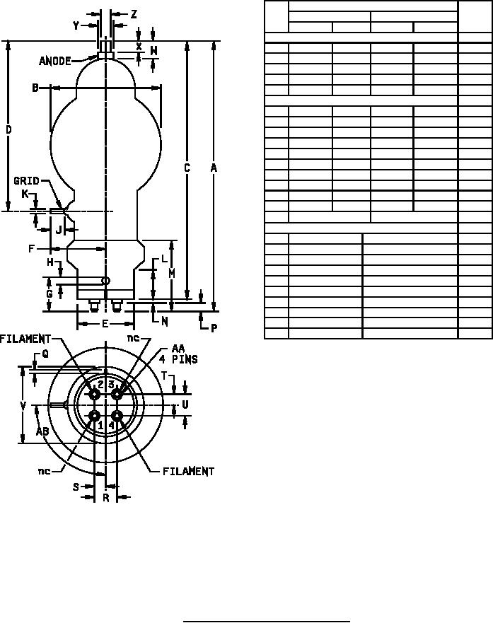
Dimensions
Ltr
Inches
Millimeters
Notes
Min
Max
Min
Max
Conformance inspection, part 2
A
9.625
10.125
244.48
257.18
B
---
3.813
---
96.85
D
5.688
6.188
144.48
157.18
F
1.563
1.938
39.70
49.23
J
.312
---
7.92
---
Conformance inspection (periodic check) part 3
1
C
9.375
9.875
238.13
250.83
E
---
1.867
---
47.42
H
---
.082
---
2.08
K
.065
.071
1.65
1.80
P
.250
.320
6.35
8.13
2
Q
---
.109
---
2.77
V
---
2.500
---
63.50
X
.328
---
8.33
---
Z
.350
.365
8.89
9.27
AA
.185
.189
4.70
4.80
80°
100°
AB
Reference dimensions
G
1.225
31.12
2
L
1.938
49.23
M
2.719
69.06
2
N
.031
0.79
R
.688
17.48
S
.344
8.74
T
.344
8.74
U
.688
17.48
W
.563
14.30
Y
.500
12.70
NOTES:
1. This test shall be performed yearly, with sampling as follows:
n1 = 4
c1 = 0
where c2 represents the total failures for the
first and second samples combined.
n2 = 4
c2 = 0;
In case of failure, the test shall become a conformance inspection, part 2 test for three successive
successful submissions, at which time the test may revert to the yearly basis.
2. On finished tube, add .060 inch (1.52 mm) maximum for solder.
FIGURE 1. Outline drawing of electron tube type 250TH.
4
For Parts Inquires call Parts Hangar, Inc (727) 493-0744
© Copyright 2015 Integrated Publishing, Inc.
A Service Disabled Veteran Owned Small Business