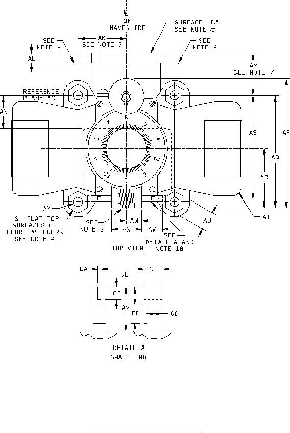
MIL-PRF-1-849 Electron Tube, Magnetron Type 6543