
MIL-PRF-1/810E
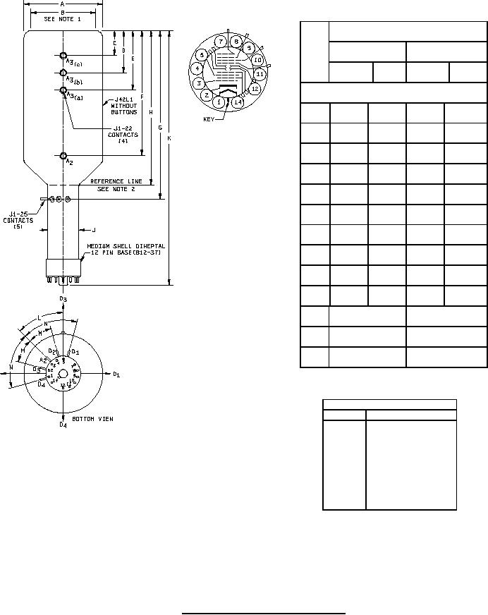
Dimensions
Ltr
Inches
Millimeters
Min
Max
Min
Max
Conformance inspection, part 2
A
5.156
5.344
130.96
135.74
B
4.500
---
114.30
---
C
1.250
1.625
31.75
41.28
D
2.375
2.750
60.33
69.85
E
3.500
3.875
88.90
98.43
F
7.812
8.812
198.42
223.82
G
10.750
11.250
273.05
285.75
H
10.062
10.437
255.57
265.10
J
1.937
2.062
49.20
52.37
K
16.500
17.000
419.10
431.80
35°
55°
L
25°
35°
M
55°
65°
N
Pin connections
Pin No.
Element
1
Heater
2
Cathode
3
Grid No. 1
4
Internal connection
5
Focusing electrode
7-12
No connection
14
Heater
NOTES:
1. Minimum useful screen diameter.
2.
Reference line, point where ring gauge 2.063 +.0011 inch (52.40 +.03 mm) ID, .500 inch (12.70 mm) long will stop.
FIGURE 1. Outline drawing of electron tube type 5AWP2.
5