
MIL-PRF-1/747F
NOTES:
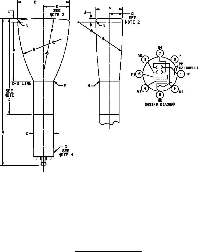
1. These dimensions are for information only and are not required for inspection purposes.
`
2.
Useful screen.
3.
This portion of the envelope shall be coated with clear-baking synthetic XS-1810, as supplied by Coating Materials
Laboratories, Inc., or equal.
4.
Base: D8-1 (EIA) (Except the "D" dimension of the base shell shall be modified to 1.170 (min) - 1.250 (max)).
FIGURE 1. Outline drawing of electron tube type 3XP1.
4
For Parts Inquires call Parts Hangar, Inc (727) 493-0744
© Copyright 2015 Integrated Publishing, Inc.
A Service Disabled Veteran Owned Small Business