
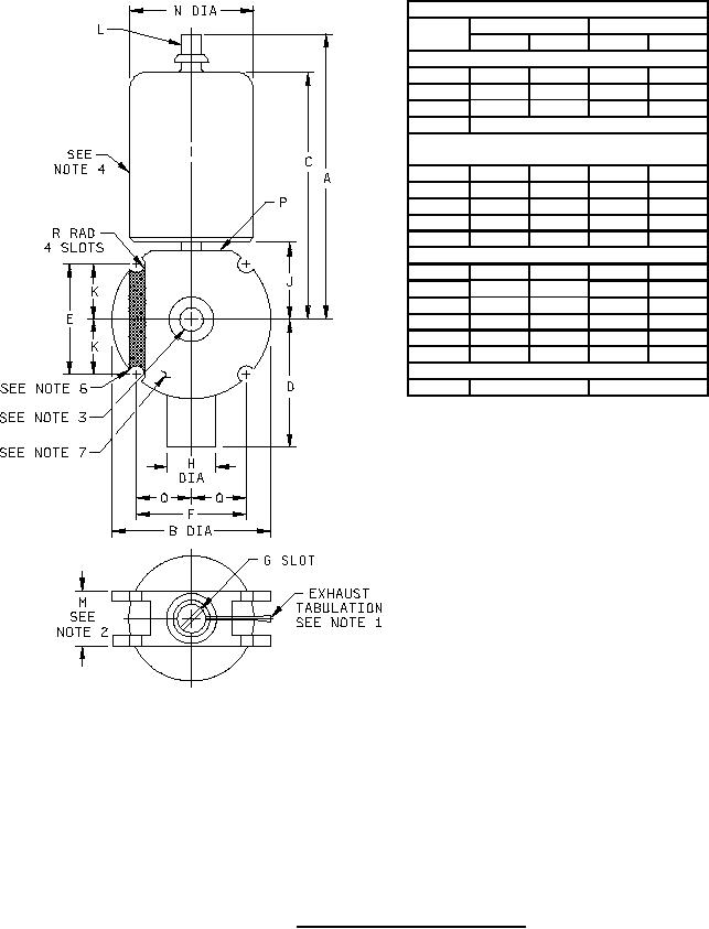
MIL-PRF-1/609G
Dimensions
Ltr
Inches
Millimeter
Min
Max
Min
Max
Qualification inspection
C
2.875
73.03
E
1.275
1.285
32.39
32.64
F
1.215
1.225
30.86
31.12
L
CAP: C1-2 (EIA)
Conformance inspection, part 1
(see note 1)
G
.031
.063
0.79
1.60
K
.637
.643
16.18
16.33
M
.609
.615
15.47
15.62
Q
.607
.613
15.42
15.57
R
.086
.094
2.18
2.39
Conformance inspection, part 2
A
3.250
82.55
B
1.760
44.70
D
1.422
36.12
H
.527
.533
13.39
13.54
J
.938
23.83
N
1.188
30.18
Reference dimension
P
.563 Flat
14.30 Flat
NOTES:
1.
Exhaust tubulation shall not extend beyond periphery.
2.
Applies to area between periphery of this section of tube and concentric circle of 5/16 radius.
3.
No part of iris assembly shall extend beyond body surface.
4.
Reservoir shall be glass, or approved equivalent.
5.
Maximum projection of reservoir shall lie within a cylinder of 1.250 diameter with axis colinear with tube axis.
6.
A force of 200 pounds shall be applied to the face of the tube within the area indicated by shading. Dimension M shall not
be permanently changed by more than 0.001. Qualification inspection required.
7. Body faces shall be cadmium plated 0.0003 minimum, or shall be made entirely of monel, bright nickel or equivalent. If nickel
Is required, it is recommended that it be used only when other metals can not meet the performance requirements.
8. Solder fillets permissible on peripheral surface near exhaust tubulation and electrode terminal. Slots shall be free from solder.
FIGURE 1. Outline drawing of electron type 1B24A.
4
For Parts Inquires call Parts Hangar, Inc (727) 493-0744
© Copyright 2015 Integrated Publishing, Inc.
A Service Disabled Veteran Owned Small Business