
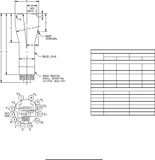
MIL-PRF-1/590C
Dimensions
Ltr
Inches
Millimeter
Min
Max
Min
Max
Conformance inspection, part 2
A
2.937
3.063
74.60
77.80
dia.
dia.
dia.
dia.
B
1.375
34.93
C
1.937
2.063
49.20
52.40
dia.
dia.
dia.
dia.
D
9.720
10.250 247.65 260.35
G
1.500
2.000
38.10
50.80
Reference dimensions (see note 2)
E
9.250
234.95
F
3.875
98.43
H
1.625
41.28
J
8.000 Rad
203.20 Rad
K
.250 Rad
6.35 Rad
L
12.438 Rad
315.93 Rad
Q
.350
8.89
NOTES:
1. Minimum useful screen radius.
2. These dimensions are for information only and are not required for inspection purposes.
FIGURE 1. Outline drawing for electron tube 3FP7A.
5
For Parts Inquires call Parts Hangar, Inc (727) 493-0744
© Copyright 2015 Integrated Publishing, Inc.
A Service Disabled Veteran Owned Small Business