
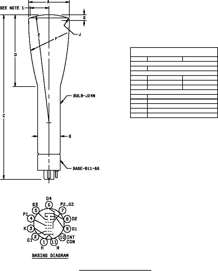
MIL-PRF-1/501C
Dimensions in inches with metric
equivalents (mm) in parentheses
Ltr
Minimum
Maximum
Qualification inspection
Base: B11-66
Conformance inspection, part 2
A
2.937 (74.60)
3.063 (77.80)
B
1.560 (39.62)
1.680 (42.67)
C
11.250 (285.75)
11.750 (298.45)
Reference dimensions (see note 2)
D
4.875 (123.83)
E
8.000 (203.20) Rad.
F
15.000 (381.00) Rad.
G
0.350 (8.89)
J
0.250 (6.35) Rad.
NOTES:
1. The minimum useful screen radius shall not be less than
1.375 (34.93 mm).
2. These dimensions are for information only and are not
required for inspection purposes.
FIGURE 1. Outline drawing of electron tube type 3KP1.
4