
MIL-PRF-1/484E
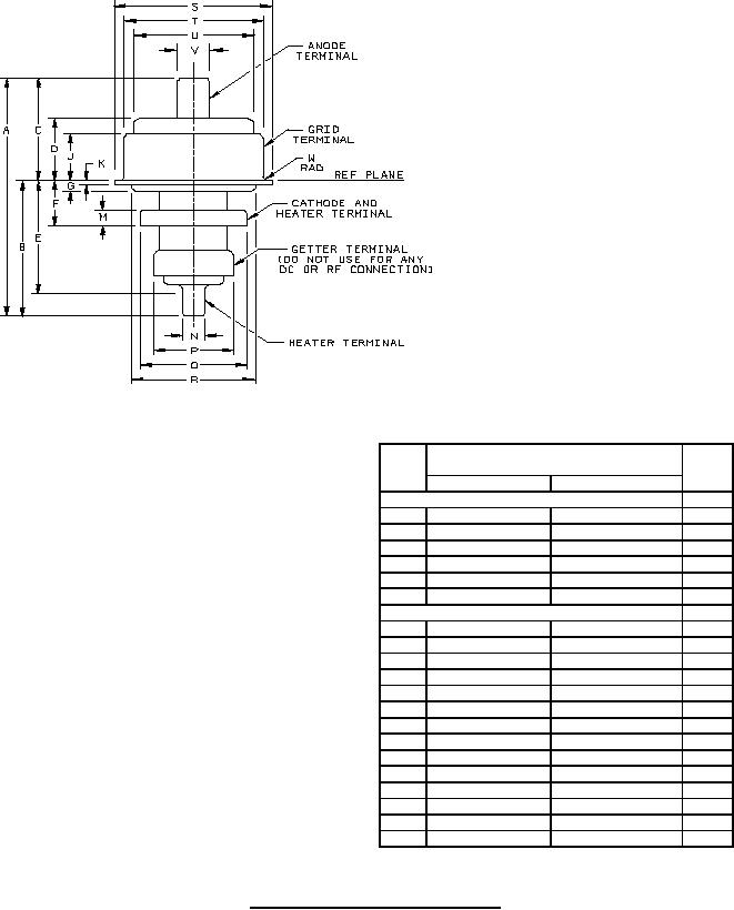
Dimensions in inches with metric
Ltr
Notes
equivalents (mm) in parentheses
Minimum
Maximum
Conformance inspection, part 2
1
A
.960 (24.38)
1.040 (26.42)
B
.530 (13.46)
.590 (14.99)
C
.410 (10.41)
.470 (11.94)
D
---
.272 ( 6.91)
E
---
.475 (12.07)
F
.163 ( 4.14)
.193 ( 4.90)
Conformance inspection, part 3
2
G
---
.060 ( 1.52)
H
---
.030 ( .76)
J
.190 ( 4.83)
.210 ( 5.33)
K
.009 ( .23)
.015 ( .38)
M
.040 ( 1.02)
.070 ( 1.78)
N
.059 ( 1.50)
.065 ( 1.65)
P
---
.257 ( 6.53)
Q
.326 ( 8.28)
.334 ( 8.48)
R
---
.385 ( 9.78)
S
.483 (12.27)
.497 (12.62)
T
.435 (11.05)
.445 (11.30)
5
U
---
.385 ( 9.78)
V
.088 ( 2.24)
.094 ( 2.39)
6
W
---
.008 ( .20)
FIGURE 1. Outline drawing of electron tube type 6299.
4
For Parts Inquires call Parts Hangar, Inc (727) 493-0744
© Copyright 2015 Integrated Publishing, Inc.
A Service Disabled Veteran Owned Small Business