
MIL-PRF-1/29E
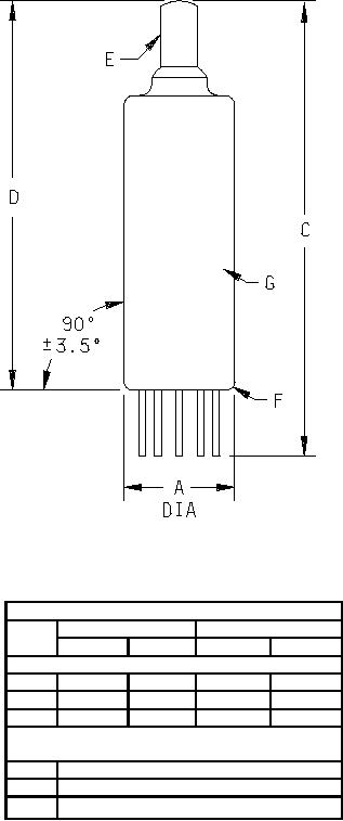
Dimensions
Ltr
Inches
mm
Min
Max
Min
Max
Conformance inspection, part 1
A
---
.75
---
19.05
C
---
2.70
---
68.58
D
2.34
2.47
59.44
62.74
Conformance inspection, part 3
(periodic check)
E
Cap: C1-3
F
Base: E7-1
G
Envelope: T5½
3
For Parts Inquires call Parts Hangar, Inc (727) 493-0744
© Copyright 2015 Integrated Publishing, Inc.
A Service Disabled Veteran Owned Small Business