
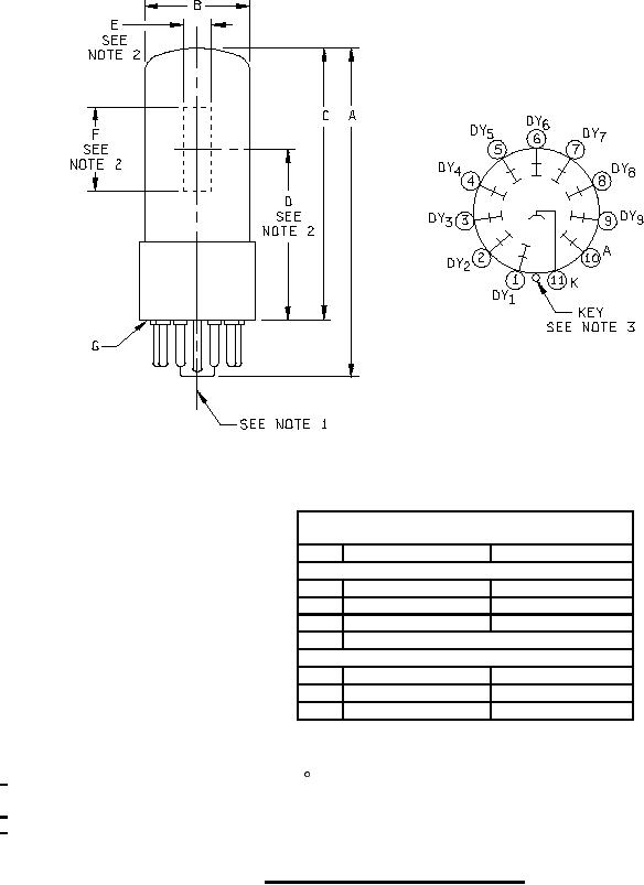
MIL-PRF-1/28H
Dimensions in inches with metric
equivalents (mm) in parentheses
Ltr
Minimum
Maximum
Qualification inspection
C
3.125 (79.38)
E
.312 (7.92)
F
.937 (23.80)
G
Base: B11-88 (see note 3)
Quality conformance inspection, part 2
A
3.687 (93.65)
B
1.187 (30.15)
D
1.843 (46.81)
2.031 (51.59)
NOTES:
1/ Centerline of bulb shall not deviate more than 2 in any direction from the perpendicular erected at
center of bottom of base.
2/ Dimensions D, E and F refer to the usable cathode area.
3/ Photosensitive surface of cathode shall be oriented with respect to base guide key.
FIGURE 1. Outline drawing of electron tube type 1P21.
5