
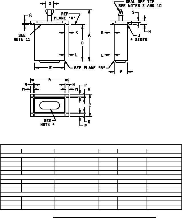
MIL-PRF-1/22J
Dimensions in inches with metric equivalents (mm) in parentheses.
Ltr
Minimum
Maximum
Ltr
Minimum
Maximum
Conformance inspection, part 1
B
1.297 (32.94)
1.303 (33.10)
K
0.142 (3.61)
C
0.797 (20.24)
0.803 (20.40)
L
0.138 (3.53)
D
1.296 (32.92)
1.302 (33.07)
S
0.078 (1.98)
J
0.020 (0.51)
Dim M through R for 1B37A only
M
0.103 (2.62)
0.111 (2.82)
Q
0.030 (.76)
0.040 (1.02)
N
0.030 (0.76)
0.040 (1.02)
R
0.035 (.89)
0.045 (1.14)
P
0.103 (2.62)
0.111 (2.82)
Conformance inspection, part 2
A
1.813 (46.05)
G
0.250 (6.35)
E
0.990 (25.15)
1.010 (25.65)
H
0.117 (2.97)
0.133 (3.38)
F
0.490 (12.45)
0.510 (12.95)
FIGURE 1. Outline drawing of electron tube types 1B35A , 1B37A, 6162 and 5864
3
For Parts Inquires call Parts Hangar, Inc (727) 493-0744
© Copyright 2015 Integrated Publishing, Inc.
A Service Disabled Veteran Owned Small Business