
MIL-PRF-1/1773C
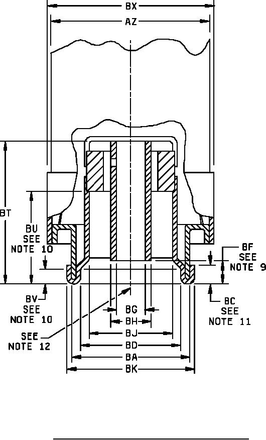
FIGURE 2A. Alternate outline drawing of electron tube type DOD-042 (detail enlarged).
8
For Parts Inquires call Parts Hangar, Inc (727) 493-0744
© Copyright 2015 Integrated Publishing, Inc.
A Service Disabled Veteran Owned Small Business