
MIL-PRF-1/1733A(NAVY)
NOTES:
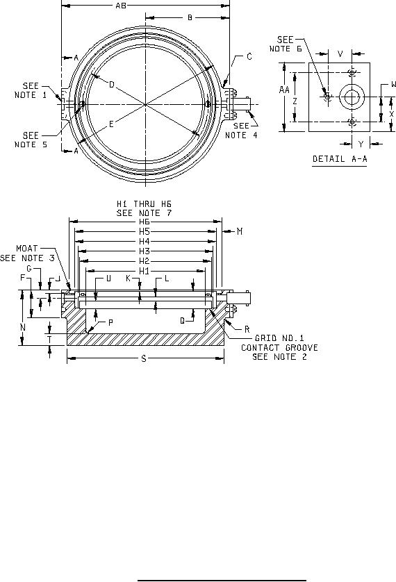
1.
Two holes, drill 7/32-inch (5.56 mm) diameter (through), C' bore 3/8-inch (9.53 mm) diameter by 1/16-inch (1.588 mm) deep.
2.
Grid(1) contact groove to be filled with the following spring: 0.020-inch (0.51 mm) diameter wire wound to give a 0.250-inch
(6.35 mm) O.D. at 35 TPI, 14-¼-inches (361.95 mm) in length (approximate).
3.
Moat shall be filled with a braid to insure continuous braid contact and yet permit firm seating of the cavity on the RF cathode
terminal contact surface.
4.
Location of A-N connector - UG-290/U (two connectors 180 degrees apart).
5.
Two holes. Drill and tap for No. 3-48 screws.
6.
Three holes. Drill and tap for No. 3-48 screws by 3/16-inch (4.78 mm) deep.
Cylindrical holes H1 through H6 have axes coincident within 0.001 inch (0.025 mm).
7.
FIGURE 4. Input cavity required for resonant frequency test.
15
For Parts Inquires call Parts Hangar, Inc (727) 493-0744
© Copyright 2015 Integrated Publishing, Inc.
A Service Disabled Veteran Owned Small Business