
MIL-PRF-1/1717C
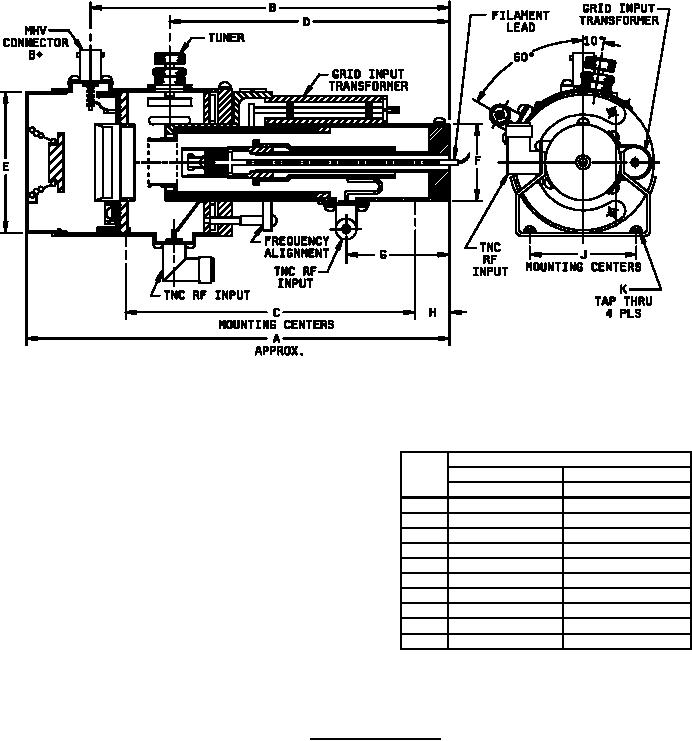
Dimensions
Ltr
Inches
Millimeters
Nominal
Nominal
A
6.97
177.04
B
5.72
145.29
C
4.72
119.89
D
4.56
115.82
E
2.50 O.D.
63.50 O.D.
F
1.25 O.D.
31.75 O.D.
G
1.56
39.62
H
.62
15.75
J
1.88
47.75
K
4-40 NC-28
4-40 NC-28
NOTE: All dimensions are for reference only.
FIGURE 2. Pulse amplifier cavity.
9
For Parts Inquires call Parts Hangar, Inc (727) 493-0744
© Copyright 2015 Integrated Publishing, Inc.
A Service Disabled Veteran Owned Small Business