
MIL-PRF-1/1705C
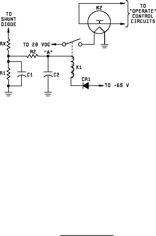
C1 = 1.0 µF, 600 V, 20 percent
C2 = 1.0 µF, 600 V, 20 percent
CR1 IN 484A
K1 Relay, armature, current sensitive coil
DC resistance 2,500 ± 10 percent ohms
Pull in current: 2.9 ± .2 mA
Drop out current: 1.16 mA or less
Similar to Allied Control Co.
New York, NY Type RSHX-145
K2 - Relay, Thermal
Time delay: 1.5 sec at 24 V heater voltage
Similar to W arren G-V unit of General Signal Corp.
W hippany, NJ Type HM-01-NC-28
R1 4K, 5W , 1 percent
R2 10K, 5 W , 1 percent
RX to be determined by supplier, so that when
output of PFN is shorted to ground, voltage
at "A" is -95 V.
FIGURE 5. Power stability life test control circuit.
15
For Parts Inquires call Parts Hangar, Inc (727) 493-0744
© Copyright 2015 Integrated Publishing, Inc.
A Service Disabled Veteran Owned Small Business