
MIL-PRF-1/1655E
Dimensions in inches with metric
Ltr
equivalents (mm) in parentheses
Minimum
Maximum
Conformance inspection, part 1
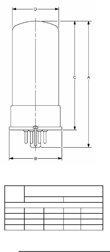
A
---
---
4.063 (103.20)
B
---
---
1.719 ( 43.66)
C
3.125
(79.38) 3.500 ( 88.90)
D
1.438
(36.53) 1.563 ( 39.70)
FIGURE 1. Outline drawing of electron tube type 6080WC.
2
For Parts Inquires call Parts Hangar, Inc (727) 493-0744
© Copyright 2015 Integrated Publishing, Inc.
A Service Disabled Veteran Owned Small Business