
MIL-PRF-1/1634E
Inches
Millimeter
.750
(19.05)
2.000
(50.80)
6.000
(152.40)
12.000
(304.80)
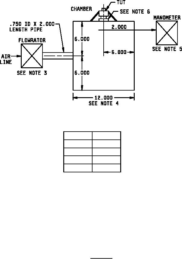
NOTES:
1. Dimensions are in inches.
2. Metric equivalents are given for general information only.
3. Fisher Porter flowrator model B4-27-10/77, or equivalent.
4. Twelve inch (304.80 mm) cube inside dimensions, compound sealed.
5. F. W. Dwyer manometer, 0 to 1 inch (25.40 mm) of water (Fisher Scientific Community 11-295-5 draft
gauge), or equivalent.
6. Socket specified on drawing 246-JAN (see note 19).
FIGURE 2. Baffle system.
3
For Parts Inquires call Parts Hangar, Inc (727) 493-0744
© Copyright 2015 Integrated Publishing, Inc.
A Service Disabled Veteran Owned Small Business