
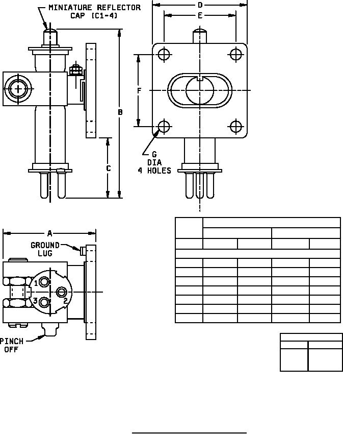
MIL-PRF-1/1622B(USAF)
Dimensions
Ltr
Inches
Millimeters
Min
Max
Min
Max
Conformance inspection, part 1
A
----
1.625
----
41.28
B
----
3.000
----
76.20
C
----
1.125
----
28.58
D
----
1.650
----
41.91
E
1.216
1.224
30.89
31.09
F
1.276
1.284
32.41
32.61
G
.215
.225
5.46
5.72
Pin connections
No.
Element
1
Heater
2
Cathode
3
Heater
NOTES:
1. Metric equivalents (to the nearest 0.01 mm) are given for general information only and are based upon 1 inch = 25.4 mm.
2. JEDEC base type pee wee wafer base A3-108 for dimensional reference only.
3. Output connector mates with UG-39/U or UG-40A/U flanges.
FIGURE 1. Outline drawing of electron tube type 7829A
4