
MIL-PRF-1/1619D
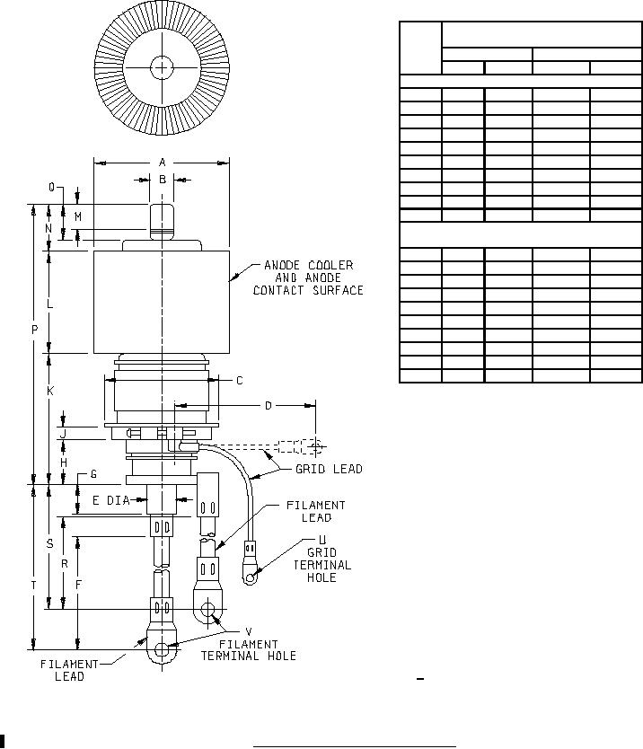
Dimensions (see note 1)
Ltr
Inches
Millimeters
Min
Max
Min
Max
Conformance inspection, part 2
A
4.094
4.156
103.99
105.56
C
---
3.625
---
92.08
D
6.375
6.625
161.93
168.28
G
.812
.937
20.62
23.82
H
1.375
1.625
34.93
41.28
P
8.000
9.000
203.20
228.60
S
7.937
8.437
201.60
214.30
T
8.937
9.437
237.00
239.70
U
.194
.200
4.93
5.08
V
.385
.395
9.78
10.03
Conformance inspection, part 3
(see note 2)
B
.781
.844
19.84
21.44
E
.859
.890
21.82
22.61
F
7.000
7.500
177.80
190.50
J
.375
.438
9.53
11.13
K
3.875
4.250
98.43
107.95
L
2.937
3.063
74.60
77.80
M
.688
.812
17.48
20.62
N
1.188
1.688
30.18
42.88
Q
1.000
1.125
25.40
28.58
R
7.000
7.500
177.80
190.50
NOTES:
1. Metric equivalents (to the nearest
0.01 mm) are given for general
information only and are based
upon 1 inch = 25.4 mm.
2. See 6/.
FIGURE 2. Outline drawing of electron tube type 8251.
5
For Parts Inquires call Parts Hangar, Inc (727) 493-0744
© Copyright 2015 Integrated Publishing, Inc.
A Service Disabled Veteran Owned Small Business