
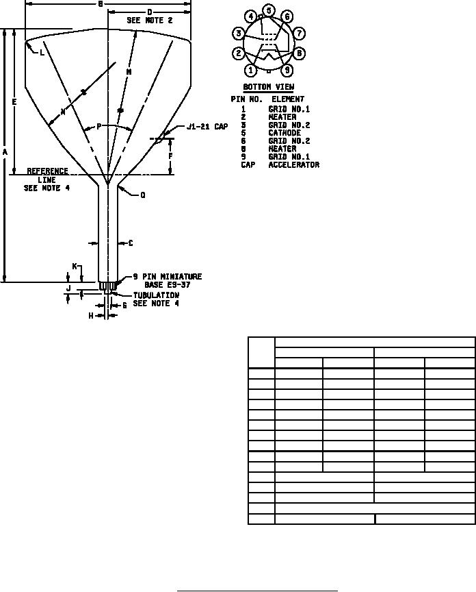
MIL-PRF-1/1389F
Dimensions
Ltr
Inches
Millimeters
Min
Max
Min
Max
A
---
16.00
---
406.40
B
10.437
10.563
265.10
268.30
C
.810
.896
20.57
22.76
D
4.500
---
114.30
---
E
9.233
9.483
234.52
240.87
F
1.915
2.415
48.64
61.34
G
---
.250
---
6.35
H
---
.125
---
3.18
J
---
.437
---
11.10
K
---
.250
---
6.35
L
.437 Rad
11.10 Rad
M
42.000 Rad
1066.80 Rad
N
20.000 Rad
508.00 Rad
50°
P
Q
.500 Rad
12.70 Rad
NOTES:
1. Reference line is determined by the point where JEDEC G-141 reference line gauge will stop.
2. Useful screen radius.
3. Dimensions without tolerance are for information only.
4. The tubulation diameter shall be less than the diameter of the socket hole and the tubulation shall not cant so as to bear on
the sides of the socket hole.
FIGURE 1. Outline drawing of electron tube type 10ANP7.
5
For Parts Inquires call Parts Hangar, Inc (727) 493-0744
© Copyright 2015 Integrated Publishing, Inc.
A Service Disabled Veteran Owned Small Business