
MIL-PRF-1/1386F
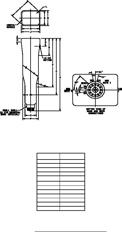
PIN NO.
ELEMENT
1
HEATER
2
CATHODE
3
GRID
4
N.C.
5
AI
6
N.C.
7
AZ
8
N.C.
9
V SHELD
10
N.C.
11
N.C.
12
HEATER
FIGURE 1. Outline drawing of electron tube types 4QP2
6
For Parts Inquires call Parts Hangar, Inc (727) 493-0744
© Copyright 2015 Integrated Publishing, Inc.
A Service Disabled Veteran Owned Small Business