
MIL-PRF-1/1373D
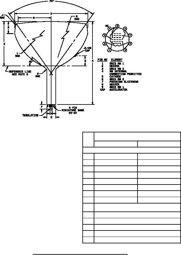
Dimensions are in inches with metric
equivalents (mm ) in parentheses.
Ltr
NOTES:
Minimum
Maximum
1. Dimensions are in inches.
Conformance inspection, part 2
2. Metric equivalents are in parenthesis.
3. Reference line is determined by the point where leading
A
7.88 (200.15)
8.25 (209.55)
edge of JEDEC-G-123 reference line gage will stop.
B
3.00 (76.20)
-------------
C
.81 (20.57)
.90 (22.86)
D
6.94 (176.28)
7.06 (179.32)
E
4.22 (107.19)
4.41 (112.01)
F
-----------
.44 (11.18)
G
.84 (21.34)
1.09 (27.69)
H
------------
.25 (6.35)
Dimensions are in inches with metric
Ltr
equivalents (mm) in parentheses
J
.25 (6.35)
K
1.12 (28.45)
L
4.88 (123.95)
M
.12 (3.05)
N
24.00 (608.16)
FIGURE 1. Outline drawing of electron tube type 7AQP7 and 7AQP33.
4
For Parts Inquires call Parts Hangar, Inc (727) 493-0744
© Copyright 2015 Integrated Publishing, Inc.
A Service Disabled Veteran Owned Small Business