emilspec
An Integrated Publishing, Inc. Site
eMilSpec
An Integrated Publishing Website
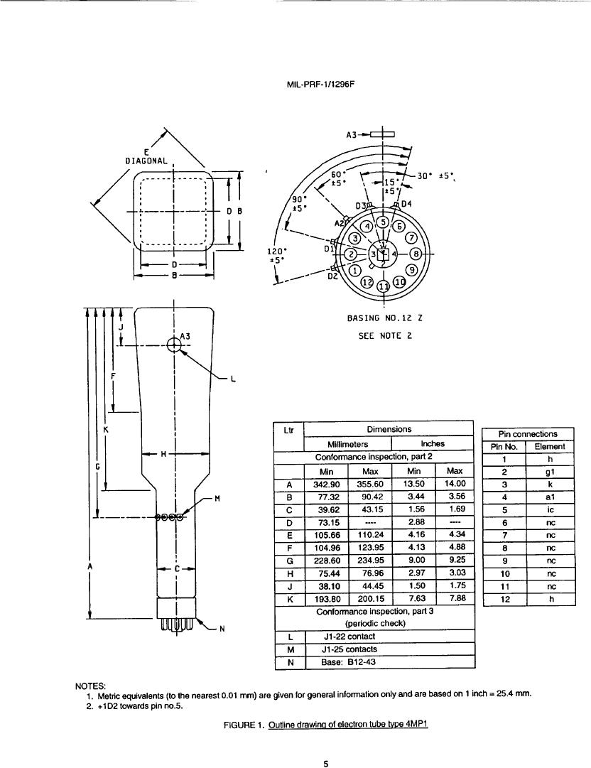
MIL-PRF-1-1296 Electron Tube, Cathode Ray Type 4Mp1
Pages
1
-
2
-
3
-
4
-
5
-
6