
MIL-PRF-1/1147C
NOTES:
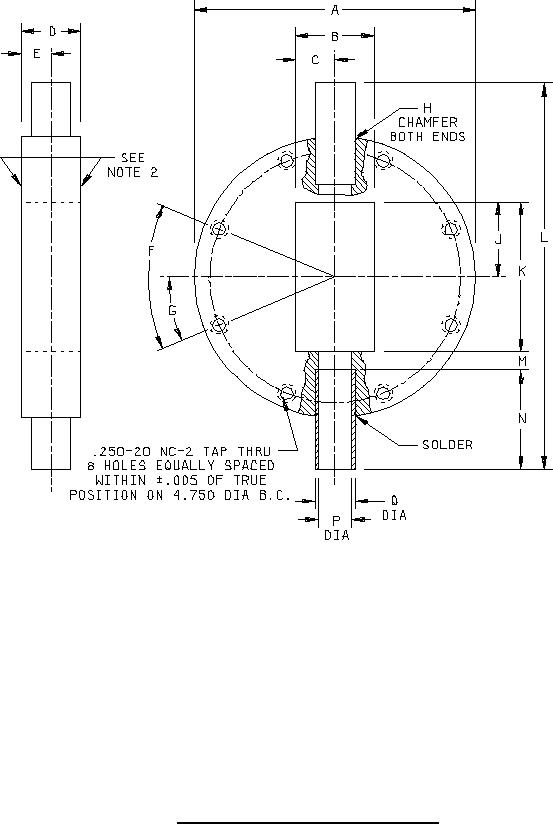
1. All dimensions are on the next page.
2. Sides shall be parallel within .002 inch total indicator reading.
FIGURE 4. Mount for electron tube, type 6782 (noise source).
6
For Parts Inquires call Parts Hangar, Inc (727) 493-0744
© Copyright 2015 Integrated Publishing, Inc.
A Service Disabled Veteran Owned Small Business