
INCH-POUND
MIL-DTL-24251/4D
11 July 2013
SUPERSEDING
MIL-DTL-24251/4C
15 February 2008
DETAIL SPECIFICATION SHEET
RETAINER (BASE), AND ADAPTER,
ELECTRON TUBE, HEAT DISSIPATING,
7 AND 9 PIN, MINIATURE
The requirements for acquiring the product described herein
shall consist of this specification sheet and MIL-DTL-24251.
This specification is approved for use by all Departments
and Agencies of the Department of Defense.
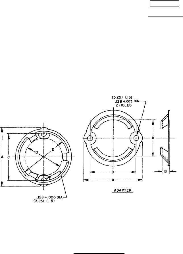
NOTES:
1. All dimensions are in inches.
2. Millimeters are in parentheses.
3. Metric equivalents (to the nearest 0.01 mm) are given for general information only and are based upon
1 inch = 25.4 mm.
4. Unless otherwise specified, tolerance is 2 places ± .010 (0.25 mm); 3 places ± .005 (0.13 mm).
5. Lugs:
Dash 1 has 3 lugs, equally spaced.
Dash 2 has 4 lugs, equally spaced.
6. MIL-DTL-24251/4 (retainer (base) and adapter) was formerly MS24231 (USAF), 29 Jan 1958.
FIGURE 1.
Dimensions and configuration.
AMSC N/A
FSC 5960
.
For Parts Inquires call Parts Hangar, Inc (727) 493-0744
© Copyright 2015 Integrated Publishing, Inc.
A Service Disabled Veteran Owned Small Business